设为首页
加入收藏
繁体中文
简体中文
无障碍阅读
长者专区
搜 索
热门搜索:
搜 索
首页
新闻动态
政府信息公开
政务服务
政民互动
专题专栏
走进阳新
首页
新闻动态
政府信息公开
政务服务
政民互动
主题专栏
走进阳新
当前位置:
首页
>
政府信息公开
>
法定主动公开内容
>
财政资金
>
部门预决算
>
2023年部门决算
名称
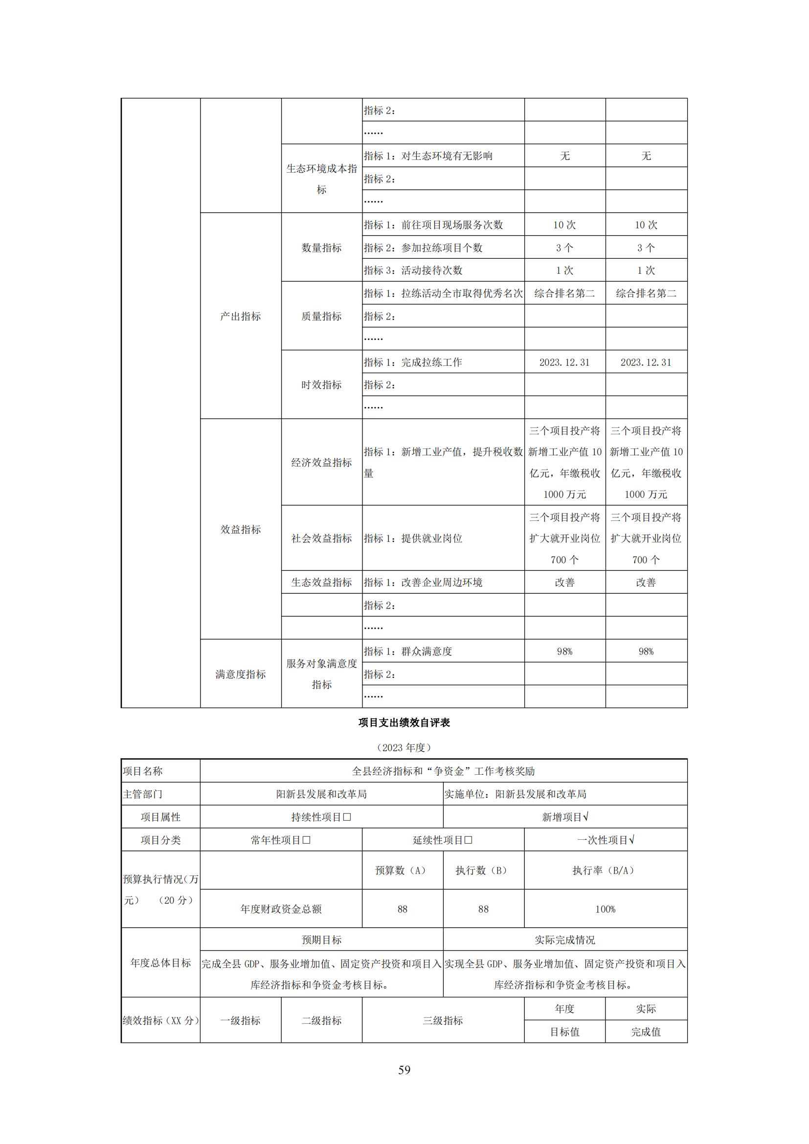
阳新县发展和改革局2023年度部门决算
索引号
000014349/2024-71394
发布日期
2024-11-19
发布机构
县发展和改革局
文号
文件分类
财政、金融、审计、税务
所属机构
县发展和改革局
阳新县发展和改革局2023年度部门决算
扫一扫在手机上查看当前页面
打印
关闭
点击咨询智能客服